Frontpage of vendor OasisMart
24QT Electric Roaster Oven, Electric Turkey Roaster with Viewing & Self-basting Lid, Stainless St...
$192.41
SPEED TIGER 3mm Micrograin Carbide Square End Mill - 4 Flutes - 50L (5 Pieces) - for Milling Allo...
$90.27
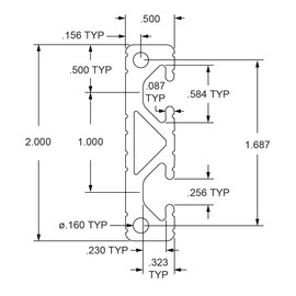
8020, 2012, 10 Series 0.5 Inch x 2 Inch Two Slot Flat Channel T-Slotted Aluminum Extrusion DIY Ex...
$175.30
PATIKIL Air Cylinder Rod Clevis End 2 Pack 62mm Length M12x1.25 Female Thread Y Connector, Silver
$36.96
WHYHKJ 20PCS Bicycle Brake Handle Screws Bolts for Brake Handlebar Shanks for Cycling Bicycle Rep...
$22.51